您现在的位置 : 首页 » 安装服务 » 8868体育电源监控系统

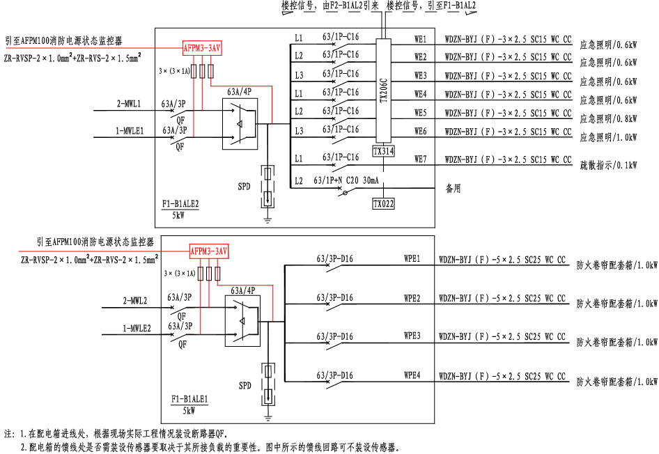
楼层应急照明、防火卷帘电源监控系统图

客服1
客服2
客服3
客服4