医院医疗隔离电源解决方案
1、概述
《民用建筑电气设计规范》14.7.6.3条明确规定:在电源突然中断后,重大医疗危险的场所,应采用电力系统不接地(IT系统)的供电方式。同时《医院洁净手术部建筑技术规范》GB50333-2002中规定:2类医疗场所在维持患者生命,外科手术和其他位于患者周围的电气装置均应采用医用IT系统。如:抢救室(门诊手术室)、手术室、心脏监控治疗室、导管介入室、血管照影检查室等。
8868体育的医疗隔离电源解决方案是针对医疗Ⅱ类场所的供电需求而开发设计的,能够很好的满足各类手术室和重症监护室对电源安全性和可靠性的要求,并符合国家相关标准。
2、参考标准
GB16895.24-2005 《建筑物电气装置 第7-710部分:特殊装置或场所的要求 医疗场所》
JGJ16-2008 《民用建筑电气设计规范》
JGJ312-2013 《医疗建筑电气设计规范》
3、配置方案
◆ ICU、CCU病房IT配电解决方案
ICU、CCU隔离电源方案配置表

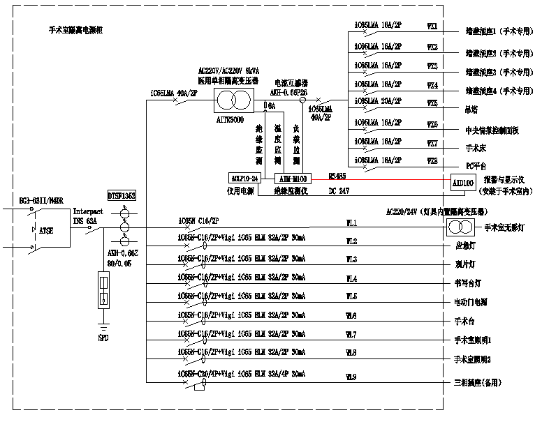
◆ 手术室配电解决方案

方案一 不带绝缘故障定位功能

方案二 带绝缘故障定位功能

手术室IT配电方案配置表
